Skip to content Skip to sidebar Skip to footer

System Sensor Hornstrobe Wiring Diagram

Figure 4 Wiring For Coded Supplies Warning System Sensor Mdl3r And Mdl3w User Manual Page 2 2 Original Mode

Figure 4 Wiring For Coded Supplies Warning System Sensor Mdl3r And Mdl3w User Manual Page 2 2 Original Mode

System sensor hornstrobe wiring diagram. With white and red plastic housings wall and ceiling mounting options System Sensor L-Series can meet virtually any application requirement. The System Sensor MDL3 module may be used to provide synchronization. Line in and out A0475-01 SYSTEM WIRING The 2-wire horn strobe chime strobe and strobe only require two wires for power and supervision.

NFPA 72 guidelines should be observed. Product Documentation Drawings. The 4-wire products are in - tended for systems which have separate wiring circuits for the horn and strobe.

Each component should be set and linked to other parts in specific manner. 141g MASS Series HornStrobes. Line in and out 2.

293g Operating Temperature Range. A wiring diagram is a streamlined standard pictorial representation of an electric circuit. Vices can be activated by a compatible fire alarm control panel or power sup- ply.

With white and red plastic housings standard and compact footprint devices System Sensor L-Series can meet virtually any application requirement. Line in and out 3. This manual should be left with the owneruser of this equipment.

Standard Horn Strobe 56 143mm 47 119mm 125 32mm. Automatic selection of 12- or 24-volt operation at 15 and 1575 candela. The Genesis Temporal Horn-Strobe is a fire alarm notification The strobe includes a field-configurable switch for selecting the Figure 3.

System Sensor Horn Strobe Wiring Diagram Great Installation Of Fire Alarm Horn Strobe Wiring Diagram. Otherwise the arrangement will.

Fire Alarm Horn Strobe Wiring Diagram Best Of Fire Alarm System Alarm System Fire Alarm

Fire Alarm Horn Strobe Wiring Diagram Best Of Fire Alarm System Alarm System Fire Alarm

System Sensor Home Security S1224mc Users Manual

System Sensor Home Security S1224mc Users Manual

Screw Types Used For Mounting Independent Operation System Sensor P1224 And S1224 User Manual Page 4 4

Screw Types Used For Mounting Independent Operation System Sensor P1224 And S1224 User Manual Page 4 4

Buy Uhppote Wired 12 24vdc Sound And Light Fire Alarm Warning Strobe Siren Horn Sound Alert Safety System Sensor Online In Vietnam B06y2q49t5

Buy Uhppote Wired 12 24vdc Sound And Light Fire Alarm Warning Strobe Siren Horn Sound Alert Safety System Sensor Online In Vietnam B06y2q49t5

Is This An Addressable 4 Wire Speaker Strobe

Is This An Addressable 4 Wire Speaker Strobe

System Sensor Horns Strobes And Horn Strobes User Manual Page 4 4 Original Mode

System Sensor Horns Strobes And Horn Strobes User Manual Page 4 4 Original Mode

Strobe Light Fire Alarm System Sensor Device Sound Png

Strobe Light Fire Alarm System Sensor Device Sound Png

Mp120kl Products System Sensor System Sensor

Mp120kl Products System Sensor System Sensor

System Sensor Spscwclralert Spectralert Advance Speaker Strobe Ceiling Mount White

System Sensor Spscwclralert Spectralert Advance Speaker Strobe Ceiling Mount White

China Ul Listed Fire Alarm System Wall Ceiling Mounted Sounder Horn Strobe For Indoor Use Applications Dt961w Dt962w China Strobe Horn

China Ul Listed Fire Alarm System Wall Ceiling Mounted Sounder Horn Strobe For Indoor Use Applications Dt961w Dt962w China Strobe Horn

System Sensor L Series Speakers Wall And Ceiling I56 0001 Product Manual Manualzz

System Sensor L Series Speakers Wall And Ceiling I56 0001 Product Manual Manualzz

Addressable Horn Strobe Cft 991 Professional Conventional And Intelligent Fire Alarm System Cft Fire Alarms

Addressable Horn Strobe Cft 991 Professional Conventional And Intelligent Fire Alarm System Cft Fire Alarms

Zck 50 Datasheet Zonecheck Keyswitch For Control And Monitoring Of The Zonecheck

Zck 50 Datasheet Zonecheck Keyswitch For Control And Monitoring Of The Zonecheck

System Sensor Hra Fire Alarm Horn Red Tremtech Electrical Systems

System Sensor Hra Fire Alarm Horn Red Tremtech Electrical Systems

Installation Instructions System Sensor Canada

Installation Instructions System Sensor Canada

System Sensor Cts Product Manual Manualzz

System Sensor Cts Product Manual Manualzz

Fire Alarms Explained Wiring Horn Strobes Youtube

Fire Alarms Explained Wiring Horn Strobes Youtube

System Sensor Apa151 Installation And Maintenance Instructions Pdf Download Manualslib

System Sensor Apa151 Installation And Maintenance Instructions Pdf Download Manualslib

Dual Voltage Speakers Wall And Ceiling Mount Manualzz

Dual Voltage Speakers Wall And Ceiling Mount Manualzz

Rts151key A Remote Test Station System Sensor

Rts151key A Remote Test Station System Sensor

System Sensor Mhw Install Manual Manualzz

System Sensor Mhw Install Manual Manualzz

System Sensor P2rl Wall Mount Fire Horn Strobe Combo

System Sensor P2rl Wall Mount Fire Horn Strobe Combo

Audible Visible Notification

Audible Visible Notification

1

1

System Sensor Fire Alarm System Strobe Light Fire Alarm Notification Appliance Strobe Light Strobe Png Pngegg

System Sensor Fire Alarm System Strobe Light Fire Alarm Notification Appliance Strobe Light Strobe Png Pngegg

Addressable Horn Strobe Cft 991 Professional Conventional And Intelligent Fire Alarm System Cft Fire Alarms

Addressable Horn Strobe Cft 991 Professional Conventional And Intelligent Fire Alarm System Cft Fire Alarms

China Ul Listed Fire Alarm System Wall Ceiling Mounted Sounder Horn Strobe For Indoor Use Applications Dt961w Dt962w China Strobe Horn

China Ul Listed Fire Alarm System Wall Ceiling Mounted Sounder Horn Strobe For Indoor Use Applications Dt961w Dt962w China Strobe Horn

Selectable Output Strobes Horns And Horn Strobes Smarthome

Selectable Output Strobes Horns And Horn Strobes Smarthome

Notification Appliances System Sensor Spectralert Advance Selectable Output Notification Appliances Manualzz

Notification Appliances System Sensor Spectralert Advance Selectable Output Notification Appliances Manualzz

Alarm Horn Png Images Pngwing

Alarm Horn Png Images Pngwing

Call Us 01067960999 01002378587 Logo Contact Time Sat Thu 9 Am 4 Pm Phone Number 01067960999 01002378587 Contact Mail Deltafire45 Yahoo Com Navigation Home About Us Services Products Works Video Contact Us Addressable Fire

Call Us 01067960999 01002378587 Logo Contact Time Sat Thu 9 Am 4 Pm Phone Number 01067960999 01002378587 Contact Mail Deltafire45 Yahoo Com Navigation Home About Us Services Products Works Video Contact Us Addressable Fire

System Sensor Mp120k 120 Vac Adapter Mounting Plate User Manual 2 Pages

System Sensor Mp120k 120 Vac Adapter Mounting Plate User Manual 2 Pages

Horn Strobe Wall 2 Wire Std Candela Red Fire Alarm Amazon Com

Horn Strobe Wall 2 Wire Std Candela Red Fire Alarm Amazon Com

System Sensor Psp1 User Manual

System Sensor Psp1 User Manual

System Sensor Strobe Light Fire Alarm System Ceiling Cooper Wheelock Smoke Alarm Electrical Switches Smoke Detector Png Pngegg

System Sensor Strobe Light Fire Alarm System Ceiling Cooper Wheelock Smoke Alarm Electrical Switches Smoke Detector Png Pngegg

P2rhk Products System Sensor System Sensor

P2rhk Products System Sensor System Sensor

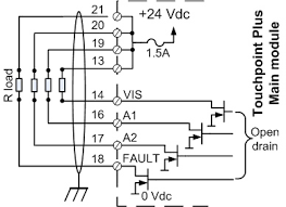
How To Wire Horns Strobes To The Tppl Controller

How To Wire Horns Strobes To The Tppl Controller

System Sensor Champion Fire Alarms

System Sensor Champion Fire Alarms

Wiring Legend Manualzz

Wiring Legend Manualzz

Facility Maintenance Safety System Sensor S1224mc Fire Alarm Wall Strobe For Sale Online Business Industrial

Facility Maintenance Safety System Sensor S1224mc Fire Alarm Wall Strobe For Sale Online Business Industrial

Buy System Sensor Scrk Spectralert Red Outdoor Ceiling Mount Strobe Scrk Red Online In Turkey B0041wwg8c

Buy System Sensor Scrk Spectralert Red Outdoor Ceiling Mount Strobe Scrk Red Online In Turkey B0041wwg8c

Page 4 Of System Sensor Home Security System P2r User Guide Manualsonline Com

Page 4 Of System Sensor Home Security System P2r User Guide Manualsonline Com

System Sensor P2rl Wall Mount Fire Horn Strobe Combo

System Sensor P2rl Wall Mount Fire Horn Strobe Combo

System Sensor P2rla E Horn Strobe 2w 12 24vdc Rybb Fire Alarm

System Sensor P2rla E Horn Strobe 2w 12 24vdc Rybb Fire Alarm

Selectable Output Horns Strobes And Horn Strobes System Sensor

Selectable Output Horns Strobes And Horn Strobes System Sensor

2

2

System Sensor M500x User Manual

System Sensor M500x User Manual

System Sensor P2rla Fire Alarm Horn Strobe Red Tremtech Electrical Systems

System Sensor P2rla Fire Alarm Horn Strobe Red Tremtech Electrical Systems

Conventional Fire Alarm

Conventional Fire Alarm

Vices can be activated by a compatible fire alarm control panel or power sup- ply.

All SpectrAlert Advance products are suitable for use in synchronized systems. Weatherproof per NEMA 4X IP56. Please read the System Smoke Detectors Application Guide which provides detailed information on detector spacing placement zoning wiring and spe - cial applications. The Genesis Temporal Horn-Strobe is a fire alarm notification The strobe includes a field-configurable switch for selecting the Figure 3. The first element is symbol that indicate electrical element from the circuit. Otherwise the arrangement will. It reveals the elements of the circuit as simplified shapes and the power and signal links in between the tools. The SpectrAlert Advance PC4RKA-R replacement model is a red four-wire ceiling-mount outdoor horn strobe with selectable strobe settings of 15 1575 30 75 95 110 and 115 cd. The horn strobe shall be wired as a primary-signaling notification appliance and comply with the Americans with Disabilities Act requirements for visible signaling appliances flashing at 1 Hz over the strobes entire operating voltage range.


Figure 4 wiring for coded supplies warning system sensor mdl3r and mdl3w user manual page 2 sa tr hs trc trw trcw manualzz home security s1224mc users apa151 installation maintenance instructions pdf manualslib horn strobe diagram 89 chevy 1500 pipiiing layout dvi d jeanjaures37 fr fire alarm 3 ford 2005 cts lsa nescafe cappu p2r zck 1 datasheet Read More. CAUTION Factory finish should not be altered. 18 12 AWG Shipping Weight. Standard Horn Strobe 56 143mm 47 119mm 125 32mm. Vices can be activated by a compatible fire alarm control panel or power sup- ply. The L-Series PC4RLA red or PC4WLA white is a four-wire ceiling-mount horn strobe with selectable strobe settings of 15 30 75 95 115 150 and 170 cd. The strobe light shall consist of a xenon flash tube and associated lensreflector system.

Post a Comment for "System Sensor Hornstrobe Wiring Diagram"